HOME > 제품소개 > 엔드밀



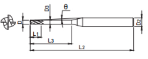
| EDP. No. | Dimension(mm) | 유 효 길 이 | ||||||||||
|---|---|---|---|---|---|---|---|---|---|---|---|---|
| D | L2 | L1 | d1 | L3 | d3 | θ | 0.5° | 1° | 1.5° | 2° | 3° | |
| ZSLNS4010-4 | 1 | 4 | 1.5 | 0.96 | 50 | 4 | 7.7 | 5.1 | 5.5 | 5.8 | 6.1 | 6.6 |
| ZSLNS4010-6 | 1 | 6 | 1.5 | 0.96 | 50 | 4 | 6.6 | 7.2 | 7.7 | 8.1 | 8.4 | 9.1 |
| ZSLNS4010-8 | 1 | 8 | 1.5 | 0.96 | 50 | 4 | 5.7 | 9.4 | 9.9 | 10.4 | 10.7 | 11.4 |
| ZSLNS4010-10 | 1 | 10 | 1.5 | 0.96 | 50 | 4 | 5.0 | 11.5 | 12.1 | 12.6 | 13.0 | 13.7 |
| ZSLNS4015-4 | 1.5 | 4 | 2.25 | 1.44 | 50 | 4 | 7.2 | 5.2 | 5.5 | 5.9 | 6.2 | 6.7 |
| ZSLNS4015-6 | 1.5 | 6 | 2.25 | 1.44 | 50 | 4 | 6.0 | 7.3 | 7.8 | 8.1 | 8.5 | 9.1 |
| ZSLNS4015-8 | 1.5 | 8 | 2.25 | 1.44 | 50 | 4 | 5.1 | 9.4 | 10.0 | 10.4 | 10.8 | 11.5 |
| ZSLNS4015-10 | 1.5 | 10 | 2.25 | 1.44 | 50 | 4 | 4.5 | 11.6 | 12.1 | 12.6 | 13.0 | 13.8 |
| ZSLNS4015-12 | 1.5 | 12 | 2.25 | 1.44 | 55 | 4 | 4.0 | 13.7 | 14.3 | 14.8 | 15.3 | 16.1 |
| ZSLNS4015-14 | 1.5 | 14 | 2.25 | 1.44 | 55 | 4 | 3.6 | 15.8 | 16.5 | 17.0 | 17.5 | 18.7 |
| ZSLNS4015-16 | 1.5 | 16 | 2.25 | 1.44 | 55 | 4 | 3.3 | 17.9 | 18.6 | 19.2 | 19.7 | - |
| ZSLNS4015-18 | 1.5 | 18 | 2.25 | 1.44 | 60 | 4 | 3.0 | 20.0 | 20.7 | 21.3 | 21.9 | - |
| ZSLNS4015-20 | 1.5 | 20 | 2.25 | 1.44 | 60 | 4 | 2.8 | 22.0 | 22.9 | 23.5 | 24.1 | - |
| ZSLNS4015-25 | 1.5 | 25 | 2.25 | 1.44 | 65 | 4 | 2.4 | 27.3 | 28.1 | 28.8 | 30.0 | - |
| ZSLNS4020-4 | 2 | 4 | 3 | 1.92 | 50 | 4 | 6.5 | 5.3 | 5.6 | 5.9 | 6.2 | 6.7 |
| ZSLNS4020-6 | 2 | 6 | 3 | 1.92 | 50 | 4 | 5.3 | 7.4 | 7.8 | 8.2 | 8.5 | 9.1 |
| ZSLNS4020-8 | 2 | 8 | 3 | 1.92 | 50 | 4 | 4.5 | 9.5 | 10.0 | 10.4 | 10.8 | 11.5 |
| ZSLNS4020-10 | 2 | 10 | 3 | 1.92 | 50 | 4 | 3.9 | 11.6 | 12.2 | 12.7 | 13.1 | 13.8 |
| ZSLNS4020-12 | 2 | 12 | 3 | 1.92 | 55 | 4 | 3.4 | 13.7 | 14.3 | 14.9 | 15.3 | 16.1 |
| ZSLNS4020-14 | 2 | 14 | 3 | 1.92 | 55 | 4 | 3.1 | 15.8 | 16.5 | 17.0 | 17.5 | 18.8 |
| ZSLNS4020-16 | 2 | 16 | 3 | 1.92 | 55 | 4 | 2.8 | 17.9 | 18.6 | 19.2 | 19.7 | - |
| ZSLNS4020-18 | 2 | 18 | 3 | 1.92 | 60 | 4 | 2.6 | 20.0 | 20.8 | 21.4 | 21.9 | - |
| ZSLNS4020-20 | 2 | 20 | 3 | 1.92 | 60 | 4 | 2.4 | 22.1 | 22.9 | 23.5 | 24.1 | - |
| ZSLNS4020-25 | 2 | 25 | 3 | 1.92 | 65 | 4 | 2.0 | 27.3 | 28.2 | 28.9 | - | - |
| ZSLNS4020-30 | 2 | 30 | 3 | 1.92 | 70 | 4 | 1.7 | 32.5 | 33.4 | 34.4 | - | - |
| ZSLNS4025-8 | 2.5 | 8 | 3.75 | 2.4 | 50 | 4 | 3.7 | 9.6 | 10.1 | 10.5 | 10.9 | 11.5 |
| ZSLNS4025-10 | 2.5 | 10 | 3.75 | 2.4 | 50 | 4 | 3.1 | 11.7 | 12.2 | 12.7 | 13.1 | 13.8 |
| ZSLNS4025-12 | 2.5 | 12 | 3.75 | 2.4 | 55 | 4 | 2.7 | 13.8 | 14.4 | 14.9 | 15.3 | - |
| ZSLNS4025-14 | 2.5 | 14 | 3.75 | 2.4 | 55 | 4 | 2.4 | 15.9 | 16.5 | 17.1 | 17.5 | - |
| ZSLNS4025-16 | 2.5 | 16 | 3.75 | 2.4 | 55 | 4 | 2.2 | 18.0 | 18.7 | 19.2 | 19.7 | - |
| ZSLNS4025-18 | 2.5 | 18 | 3.75 | 2.4 | 60 | 4 | 2.0 | 20.1 | 20.8 | 21.4 | - | - |
| ZSLNS4025-20 | 2.5 | 20 | 3.75 | 2.4 | 60 | 4 | 1.8 | 22.1 | 22.9 | 23.5 | - | - |
| ZSLNS4025-25 | 2.5 | 25 | 3.75 | 2.4 | 65 | 4 | 1.5 | 27.3 | 28.2 | - | - | - |
| ZSLNS4025-30 | 2.5 | 30 | 3.75 | 2.4 | 70 | 4 | 1.3 | 32.6 | 33.5 | - | - | - |
| ZSLNS4030-8 | 3 | 8 | 4.5 | 2.88 | 55 | 6 | 5.6 | 9.6 | 10.1 | 10.5 | 10.9 | 11.5 |
| ZSLNS4030-10 | 3 | 10 | 4.5 | 2.88 | 55 | 6 | 5.0 | 11.7 | 12.3 | 12.7 | 13.1 | 13.8 |
| ZSLNS4030-12 | 3 | 12 | 4.5 | 2.88 | 60 | 6 | 4.5 | 13.8 | 14.4 | 14.9 | 15.4 | 16.3 |
| ZSLNS4030-14 | 3 | 14 | 4.5 | 2.88 | 60 | 6 | 4.1 | 15.9 | 16.6 | 17.1 | 17.6 | 18.9 |
| ZSLNS4030-16 | 3 | 16 | 4.5 | 2.88 | 60 | 6 | 3.7 | 18.0 | 18.7 | 19.3 | 19.8 | 21.6 |
| ZSLNS4030-18 | 3 | 18 | 4.5 | 2.88 | 60 | 6 | 3.4 | 20.1 | 20.8 | 21.4 | 21.9 | 24.2 |
| ZSLNS4030-20 | 3 | 20 | 4.5 | 2.88 | 65 | 6 | 3.2 | 22.2 | 23.0 | 23.6 | 24.2 | 26.9 |
| ZSLNS4030-25 | 3 | 25 | 4.5 | 2.88 | 70 | 6 | 2.7 | 27.4 | 28.2 | 28.9 | 30.2 | - |
| ZSLNS4030-30 | 3 | 30 | 4.5 | 2.88 | 75 | 6 | 2.4 | 32.6 | 33.5 | 34.5 | 36.2 | - |
| ZSLNS4030-35 | 3 | 35 | 4.5 | 2.88 | 80 | 6 | 2.1 | 37.7 | 38.7 | 40.2 | 42.2 | - |
| ZSLNS4030-40 | 3 | 40 | 4.5 | 2.88 | 90 | 6 | 1.9 | 42.9 | 43.9 | 45.9 | - | - |
| ZSLNS4040-12 | 4 | 12 | 6 | 3.85 | 60 | 6 | 3.4 | 13.9 | 14.5 | 15.0 | 15.4 | 16.3 |
| ZSLNS4040-16 | 4 | 16 | 6 | 3.85 | 60 | 6 | 2.8 | 18.1 | 18.8 | 19.3 | 19.8 | - |
| ZSLNS4040-20 | 4 | 20 | 6 | 3.85 | 70 | 6 | 2.3 | 22.3 | 23.0 | 23.6 | 24.3 | - |
| ZSLNS4040-25 | 4 | 25 | 6 | 3.85 | 70 | 6 | 2.0 | 27.4 | 28.3 | 28.9 | - | - |
| ZSLNS4040-30 | 4 | 30 | 6 | 3.85 | 80 | 6 | 1.7 | 32.6 | 33.5 | 34.6 | - | - |
| ZSLNS4040-35 | 4 | 35 | 6 | 3.85 | 80 | 6 | 1.5 | 37.8 | 38.8 | - | - | - |
| ZSLNS4040-40 | 4 | 40 | 6 | 3.85 | 90 | 6 | 1.3 | 42.9 | 44.0 | - | - | - |
| ZSLNS4040-45 | 4 | 45 | 6 | 3.85 | 90 | 6 | 1.2 | 48.1 | 49.4 | - | - | - |
| ZSLNS4040-50 | 4 | 50 | 6 | 3.85 | 100 | 6 | 1.1 | 53.2 | 54.8 | - | - | - |
| ZSLNS4050-16 | 5 | 16 | 7.5 | 4.85 | 60 | 6 | 1.5 | 18.1 | 18.8 | - | - | - |
| ZSLNS4050-20 | 5 | 20 | 7.5 | 4.85 | 60 | 6 | 1.3 | 22.3 | 23.0 | - | - | - |
| ZSLNS4050-25 | 5 | 25 | 7.5 | 4.85 | 70 | 6 | 1.1 | 27.4 | 28.3 | - | - | - |
| ZSLNS4050-30 | 5 | 30 | 7.5 | 4.85 | 70 | 6 | 0.9 | 32.6 | - | - | - | - |
| ZSLNS4050-35 | 5 | 35 | 7.5 | 4.85 | 80 | 6 | 0.8 | 37.8 | - | - | - | - |
| ZSLNS4050-40 | 5 | 40 | 7.5 | 4.85 | 90 | 6 | 0.7 | 42.9 | - | - | - | - |
| ZSLNS4050-50 | 5 | 50 | 7.5 | 4.85 | 100 | 6 | 0.6 | 53.2 | - | - | - | - |
| 탄소강 (S45C, S55C...) ~ HB225 |
합금강 (SCM, SK...) HB225~325 |
프리하든강 (NAK...) HRc30~50 |
열처리강 | 동 | 흑연 | 주철 FCD400. 500~ |
알루미늄 | 스테인리스강 | |
|---|---|---|---|---|---|---|---|---|---|
| ~HRc55 SKD61 | ~HRc55 SKD11 | ||||||||
| ○ | ○ | ◎ | ◎ | ○ | |||||
| 외경 | 인선부(mm) | 자루부 |
|---|---|---|
| 0.1 ~ 0.5 | 0 ~ -0.012 | h5 |
| 0.6 ~ 4 | 0 ~ -0.015 |