HOME > 제품소개 > 엔드밀



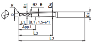
| EDP. No. | 규격(mm) | 유 효 길 이 | ||||||||||||||
|---|---|---|---|---|---|---|---|---|---|---|---|---|---|---|---|---|
| D | R | L2 | θ | L1 | d1 | d2 | L3 | d3 | App. L | θ2 | 0.5° | 1° | 1.5° | 2° | 3° | |
| ZSTNR2002-2-09005 | 0.2 | 0.05 | 2 | 0.9 | 0.15 | 0.17 | 0.23 | 50 | 4 | 1.10 | 10.0 | x | 2.8 | 3.1 | 3.4 | 3.9 |
| ZSTNR2004-4-09005 | 0.4 | 0.0.5 | 4 | 0.9 | 0.3 | 0.37 | 0.49 | 50 | 4 | 1.25 | 8.4 | x | 4.9 | 5.3 | 5.7 | 6.3 |
| ZSTNR2004-5-09005 | 0.4 | 0.0.5 | 5 | 0.9 | 0.3 | 0.37 | 0.52 | 50 | 4 | 1.25 | 7.8 | x | 5.9 | 6.4 | 6.8 | 7.5 |
| ZSTNR2004-4-0901 | 0.4 | 0.1 | 4 | 0.9 | 0.3 | 0.37 | 0.49 | 50 | 4 | 1.25 | 8.5 | x | 4.9 | 5.3 | 5.7 | 6.3 |
| ZSTNR2004-5-0901 | 0.4 | 0.1 | 5 | 0.9 | 0.3 | 0.37 | 0.52 | 50 | 4 | 1.25 | 7.9 | x | 5.9 | 6.4 | 6.8 | 7.5 |
| ZSTNR2005-5-0901 | 0.5 | 0.1 | 5 | 0.9 | 0.35 | 0.47 | 0.62 | 50 | 4 | 1.30 | 7.8 | x | 5.9 | 6.4 | 6.8 | 7.5 |
| ZSTNR2005-8-0901 | 0.5 | 0.1 | 8 | 0.9 | 0.35 | 0.47 | 0.71 | 50 | 4 | 1.30 | 6.4 | x | 9.0 | 9.7 | 10.2 | 11.0 |
| ZSTNR2005-10-0901 | 0.5 | 0.1 | 10 | 0.9 | 0.35 | 0.47 | 0.77 | 55 | 4 | 1.30 | 5.8 | x | 11.0 | 11.8 | 12.4 | 13.2 |
| ZSTNR2006-12-0901 | 0.6 | 0.1 | 12 | 0.9 | 0.4 | 0.57 | 0.93 | 55 | 4 | 1.35 | 5.1 | x | 13.0 | 13.9 | 14.5 | 15.5 |
| ZSTNR2006-15-0901 | 0.6 | 0.1 | 15 | 0.9 | 0.4 | 0.57 | 1.03 | 55 | 4 | 1.35 | 4.5 | x | 16.1 | 17.1 | 17.8 | 18.8 |
| ZSTNR2008-6-0402 | 0.8 | 0.2 | 6 | 0.4 | 0.5 | 0.77 | 0.85 | 50 | 4 | 2.64 | 7.0 | 6.6 | 7.1 | 7.5 | 7.8 | 8.3 |
| ZSTNR2008-12-0902 | 0.8 | 0.2 | 12 | 0.9 | 0.5 | 0.77 | 1.13 | 55 | 4 | 1.45 | 5.0 | x | 13.0 | 13.9 | 14.5 | 15.5 |
| ZSTNR2010-8-0402 | 1 | 0.2 | 8 | 0.4 | 0.8 | 0.94 | 1.04 | 55 | 6 | 5.09 | 7.4 | 8.8 | 9.3 | 9.7 | 10.1 | 10.6 |
| ZSTNR2010-10-0902 | 1 | 0.2 | 10 | 0.9 | 0.8 | 0.94 | 1.23 | 55 | 6 | 5.09 | 6.8 | x | 11.2 | 11.9 | 12.4 | 13.3 |
| ZSTNR2010-15-0902 | 1 | 0.2 | 15 | 0.9 | 0.8 | 0.94 | 1.39 | 60 | 6 | 2.70 | 5.6 | x | 16.3 | 17.2 | 17.8 | 18.8 |
| ZSTNR2010-20-0902 | 1 | 0.2 | 20 | 0.9 | 0.8 | 0.94 | 1.54 | 65 | 6 | 2.70 | 4.8 | x | 21.3 | 22.4 | 23.2 | 24.7 |
| ZSTNR2010-25-0902 | 1 | 0.2 | 25 | 0.9 | 0.8 | 0.94 | 1.70 | 70 | 6 | 2.70 | 4.1 | x | 26.4 | 27.6 | 28.5 | 30.9 |
| ZSTNR2010-30-0902 | 1 | 0.2 | 30 | 0.9 | 0.8 | 0.94 | 1.86 | 75 | 6 | 2.70 | 3.7 | x | 31.5 | 32.8 | 33.7 | 37.0 |
| ZSTNR2010-35-0902 | 1 | 0.2 | 35 | 0.9 | 0.8 | 0.94 | 2.02 | 80 | 6 | 2.70 | 3.3 | x | 36.5 | 38.0 | 39.0 | 43.2 |
| ZSTNR2010-8-0403 | 1 | 0.3 | 8 | 0.4 | 0.8 | 0.94 | 1.04 | 55 | 6 | 2.70 | 7.4 | 8.8 | 9.3 | 9.7 | 10.0 | 10.6 |
| ZSTNR2010-15-0903 | 1 | 0.3 | 15 | 0.9 | 0.8 | 0.94 | 1.39 | 60 | 6 | 2.70 | 5.6 | x | 16.3 | 17.2 | 17.8 | 18.8 |
| ZSTNR2010-25-0903 | 1 | 0.3 | 25 | 0.9 | 0.8 | 0.94 | 1.70 | 70 | 6 | 2.70 | 4.2 | x | 26.4 | 27.6 | 28.5 | 30.8 |
| ZSTNR2010-30-0903 | 1 | 0.3 | 30 | 0.9 | 0.8 | 0.94 | 1.86 | 75 | 6 | 2.70 | 3.7 | x | 31.5 | 32.8 | 33.7 | 37.0 |
| ZSTNR2015-10-0402 | 1.5 | 0.2 | 10 | 0.4 | 1.35 | 1.42 | 1.54 | 55 | 6 | 7.07 | 6.4 | 11.0 | 11.5 | 11.9 | 12.3 | 13.0 |
| ZSTNR2015-15-0902 | 1.5 | 0.2 | 15 | 0.9 | 1.35 | 1.42 | 1.85 | 60 | 6 | 7.07 | 5.3 | x | 16.4 | 17.3 | 17.9 | 18.9 |
| ZSTNR2015-20-0902 | 1.5 | 0.2 | 20 | 0.9 | 1.35 | 1.42 | 2.01 | 65 | 6 | 3.89 | 4.5 | x | 21.5 | 22.5 | 23.2 | 24.9 |
| ZSTNR2015-25-0902 | 1.5 | 0.2 | 25 | 0.9 | 1.35 | 1.42 | 2.16 | 70 | 6 | 3.89 | 3.9 | x | 26.6 | 27.7 | 28.5 | 31.0 |
| ZSTNR2015-30-0902 | 1.5 | 0.2 | 30 | 0.9 | 1.35 | 1.42 | 2.32 | 75 | 6 | 3.89 | 3.4 | x | 31.6 | 32.9 | 33.8 | 37.1 |
| ZSTNR2015-10-0403 | 1.5 | 0.3 | 10 | 0.4 | 1.35 | 1.42 | 1.54 | 55 | 6 | 3.89 | 6.4 | 11.0 | 11.5 | 11.9 | 12.3 | 13.0 |
| ZSTNR2015-20-0903 | 1.5 | 0.3 | 20 | 0.9 | 1.35 | 1.42 | 2.01 | 65 | 6 | 3.89 | 4.5 | x | 21.5 | 22.5 | 23.2 | 24.8 |
| ZSTNR2015-25-0903 | 1.5 | 0.3 | 25 | 0.9 | 1.35 | 1.42 | 2.16 | 70 | 6 | 3.89 | 3.9 | x | 26.5 | 27.7 | 28.5 | 31.0 |
| ZSTNR2015-30-0903 | 1.5 | 0.3 | 30 | 0.9 | 1.35 | 1.42 | 2.32 | 75 | 6 | 3.89 | 3.4 | x | 31.6 | 32.9 | 33.8 | 37.1 |
| ZSTNR2020-30-0902 | 2 | 0.2 | 30 | 0.9 | 1.7 | 1.92 | 2.81 | 70 | 6 | 7.42 | 3.1 | x | 31.6 | 32.9 | 33.8 | 37.2 |
| ZSTNR2020-40-0902 | 2 | 0.2 | 40 | 0.9 | 1.7 | 1.92 | 3.12 | 80 | 6 | 7.42 | 2.5 | x | 41.8 | 43.3 | 44.6 | - |
| ZSTNR2020-50-0902 | 2 | 0.2 | 50 | 0.9 | 1.7 | 1.92 | 3.44 | 90 | 6 | 7.42 | 2.1 | x | 51.9 | 53.6 | 55.7 | - |
| ZSTNR2020-12-0403 | 2 | 0.3 | 12 | 0.4 | 1.7 | 1.92 | 2.06 | 55 | 6 | 7.42 | 5.5 | 13.0 | 13.6 | 14.1 | 14.5 | 15.6 |
| ZSTNR2020-20-0903 | 2 | 0.3 | 20 | 0.9 | 1.7 | 1.92 | 2.50 | 65 | 6 | 4.24 | 4.1 | x | 21.5 | 22.5 | 23.2 | 24.9 |
| ZSTNR2020-30-0903 | 2 | 0.3 | 30 | 0.9 | 1.7 | 1.92 | 2.81 | 70 | 6 | 4.24 | 3.1 | x | 31.6 | 32.9 | 33.8 | 37.1 |
| ZSTNR2020-40-0903 | 2 | 0.3 | 40 | 0.9 | 1.7 | 1.92 | 3.12 | 80 | 6 | 4.24 | 2.5 | x | 41.7 | 43.3 | 44.6 | - |
| ZSTNR2020-50-0903 | 2 | 0.3 | 50 | 0.9 | 1.7 | 1.92 | 3.44 | 90 | 6 | 4.24 | 2.1 | x | 51.8 | 53.6 | 55.7 | - |
| ZSTNR2020-8-0405 | 2 | 0.5 | 8 | 0.4 | 1.7 | 1.92 | 2.01 | 50 | 6 | 4.24 | 6.8 | 8.7 | 9.0 | 9.3 | 9.5 | 10.4 |
| ZSTNR2020-12-0405 | 2 | 0.5 | 12 | 0.4 | 1.7 | 1.92 | 2.06 | 55 | 6 | 4.24 | 5.6 | 13.0 | 13.6 | 14.1 | 14.4 | 15.5 |
| ZSTNR2020-16-0405 | 2 | 0.5 | 16 | 0.4 | 1.7 | 1.92 | 2.12 | 60 | 6 | 4.24 | 4.7 | 17.0 | 17.8 | 18.3 | 18.7 | 20.7 |
| ZSTNR2020-20-0905 | 2 | 0.5 | 20 | 0.9 | 1.7 | 1.92 | 2.50 | 65 | 6 | 4.24 | 4.2 | x | 21.5 | 22.5 | 23.2 | 24.8 |
| ZSTNR2020-25-0905 | 2 | 0.5 | 25 | 0.9 | 1.7 | 1.92 | 2.65 | 65 | 6 | 4.24 | 3.6 | x | 26.6 | 27.7 | 28.5 | 30.9 |
| ZSTNR2020-30-0905 | 2 | 0.5 | 30 | 0.9 | 1.7 | 1.92 | 2.81 | 70 | 6 | 4.24 | 3.1 | x | 31.6 | 32.9 | 33.8 | 37.1 |
| ZSTNR2020-40-0905 | 2 | 0.5 | 40 | 0.9 | 1.7 | 1.92 | 3.12 | 80 | 6 | 4.24 | 2.5 | x | 41.7 | 43.2 | 44.6 | - |
| ZSTNR2020-50-0905 | 2 | 0.5 | 50 | 0.9 | 1.7 | 1.92 | 3.44 | 90 | 6 | 4.24 | 3.1 | x | 51.8 | 53.6 | 55.6 | - |
| ZSTNR2030-40-0902 | 3 | 0.2 | 40 | 0.9 | 2.5 | 2.86 | 4.04 | 80 | 6 | 6.95 | 2.0 | x | 42.0 | 43.4 | - | - |
| ZSTNR2030-50-0902 | 3 | 0.2 | 50 | 0.9 | 2.5 | 2.86 | 4.35 | 90 | 6 | 6.95 | 1.6 | x | 52.1 | 53.7 | - | - |
| ZSTNR2030-60-0902 | 3 | 0.2 | 60 | 0.9 | 2.5 | 2.86 | 4.67 | 100 | 6 | 6.95 | 1.4 | x | 62.2 | - | - | - |
| ZSTNR2030-40-0903 | 3 | 0.3 | 40 | 0.9 | 2.5 | 2.86 | 4.04 | 80 | 6 | 6.95 | 2.0 | x | 42.0 | 43.4 | - | - |
| ZSTNR2030-50-0903 | 3 | 0.3 | 50 | 0.9 | 2.5 | 2.86 | 4.35 | 90 | 6 | 6.95 | 1.7 | x | 52.1 | 53.7 | - | - |
| ZSTNR2030-60-0903 | 3 | 0.3 | 60 | 0.9 | 2.5 | 2.86 | 4.67 | 100 | 6 | 6.95 | 1.4 | x | 62.2 | - | - | - |
| ZSTNR2030-40-0905 | 3 | 0.5 | 40 | 0.9 | 2.5 | 2.86 | 4.04 | 80 | 6 | 6.95 | 2.0 | x | 42.0 | 43.4 | - | - |
| ZSTNR2030-50-0905 | 3 | 0.5 | 50 | 0.9 | 2.5 | 2.86 | 4.35 | 90 | 6 | 6.95 | 1.7 | x | 52.1 | 53.7 | - | - |
| ZSTNR2030-60-0905 | 3 | 0.5 | 60 | 0.9 | 2.5 | 2.86 | 4.67 | 100 | 6 | 6.95 | 1.4 | x | 62.1 | - | - | - |
| 탄소강 (S45C, S55C...) ~ HB225 |
합금강 (SCM, SK...) HB225~325 |
프리하든강 (NAK...) HRc30~50 |
열처리강 | 동 | 흑연 | 주철 FCD400. 500~ |
알루미늄 | 스테인리스강 | |
|---|---|---|---|---|---|---|---|---|---|
| ~HRc55 SKD61 | ~HRc55 SKD11 | ||||||||
| ○ | ○ | ◎ | ◎ | ○ | |||||
| 인선부 (mm) | 자루부 |
|---|---|
| 0 ~ -0.015 | h5 |