HOME > 제품소개 > 엔드밀


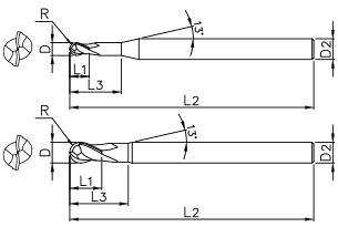
| EDP. No. | D 날경 |
R 반경 |
L1 날장 |
L3 유효장 |
L2 전장 |
D2 자루경 |
|---|---|---|---|---|---|---|
| ESB702001 | 0.1 | 0.05 | 0.15 | - | 40 | 4 |
| ESB702002 | 0.2 | 0.1 | 0.3 | - | 40 | 4 |
| ESB702003 | 0.3 | 0.15 | 0.5 | - | 40 | 4 |
| ESB702004 | 0.4 | 0.2 | 0.6 | - | 40 | 4 |
| ESB702005 | 0.5 | 0.25 | 0.7 | - | 40 | 4 |
| ESB702006 | 0.6 | 0.3 | 0.9 | - | 40 | 4 |
| ESB702007 | 0.7 | 0.35 | 1.1 | - | 40 | 4 |
| ESB702008 | 0.8 | 0.4 | 1.2 | - | 40 | 4 |
| ESB702009 | 0.9 | 0.45 | 1.4 | - | 40 | 4 |
| ESB702010 | 1 | 0.5 | 1.5 | 3 | 50 | 6 |
| ESB702010S4 | 1 | 0.5 | 1.5 | - | 45 | 4 |
| ESB702015 | 1.5 | 0.75 | 2 | 4 | 50 | 6 |
| ESB702015S4 | 1.5 | 0.75 | 2 | - | 45 | 4 |
| ESB702020 | 2 | 1 | 2.5 | 5 | 50 | 6 |
| ESB702020S4 | 2 | 1 | 2.5 | - | 45 | 4 |
| ESB702025 | 2.5 | 1.25 | 3 | 7 | 50 | 6 |
| ESB702030 | 3 | 1.5 | 4 | 10 | 60 | 6 |
| ESB702030S | 3 | 1.5 | 4 | 10 | 50 | 6 |
| ESB702030S4 | 3 | 1.5 | 4 | - | 45 | 4 |
| ESB702031 | 3 | 1.5 | 4 | 10 | 70 | 6 |
| ESB702040 | 4 | 2 | 5 | 10 | 60 | 6 |
| ESB702040S | 4 | 2 | 5 | 10 | 50 | 6 |
| ESB702040S4 | 4 | 2 | 5 | - | 45 | 4 |
| ESB702041 | 4 | 2 | 5 | 10 | 70 | 6 |
| ESB702050 | 5 | 2.5 | 6 | 12 | 60 | 6 |
| ESB702060 | 6 | 3 | 7 | 12 | 60 | 6 |
| ESB702061 | 6 | 3 | 7 | 12 | 90 | 6 |
| ESB702080 | 8 | 4 | 9 | 15 | 70 | 8 |
| ESB702081 | 8 | 4 | 9 | 15 | 100 | 8 |
| ESB702100 | 10 | 5 | 11 | 25 | 75 | 10 |
| ESB702101 | 10 | 5 | 11 | 25 | 100 | 10 |
| ESB702120 | 12 | 6 | 12 | 25 | 80 | 12 |
| ESB702121 | 12 | 6 | 12 | 25 | 110 | 12 |
| 탄소강 ~ HB225 |
합금강 HB225~325 |
프리하든강 HRc30~50 |
열처리강 | 동 | 흑연 | 주철 FCD500~ |
알루미늄 | 스테인리스강 | |
|---|---|---|---|---|---|---|---|---|---|
| SKD61 ~HRc55 | SKD11 ~HRc55 | ||||||||
| ○ | ◎ | ◎ | ○ | ||||||
| 날경(D) | 자루경 | |
|---|---|---|
| ~ D6 | 0 ~ -0.012mm | h5 |
| D8 ~ 12 | 0 ~ -0.015mm | |